
Caratteristiche
Tutti gli ugelli della serie “Airless” presentano inserti in carburo di tungsteno di altissima qualità che garantiscono la massima resistenza alla abrasione e distribuzione uniforme. Consigliamo di verificare l’usura degli ugelli per sostituirli al momento corretto e non avere una spesa economica dovuta alla scarsa efficienza dell’impatto del getto.
Tutti gli ugelli presentano marcatura laser secondo nostro standard, marcature speciali devono essere richieste in fase d’ordine.
Come ordinare
Example: TC Tip with following datas: flowrate 4,30 lpm@100 bars, Spray angle: 110º,
Orifice diameter: 0,91 mm.
*please ask to Euspray offices the references between spray angle and angle codification
Il codice “TC” identifica il corpo in Aisi303 e inserto in carburo di tungsteno.
Il fattore di portata fa riferimento alla portata a 100 bar, vedere la tabella nella pagina seguente.
Per il codice angolo contattare i nostri uffici per la corrispondenza tra angolo e suo codice corrispondente.
Esistono 2 taglie di ugello, verificare la tabella.


AVAILABLE SPRAY ANGLES
Spray angle: 110º
FLOW RATE RANGE
0,3 to 33,0 lpm
AVAILABLE CONNECTION TYPES
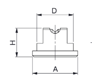
DIMENSIONS SMALL : H =9.5mm , D= 10.3 , A = 15mm
DIMENSIONS LARGE: H =12.5mm , D= 10.3 , A = 15mm
MATERIALS
Corpo: Aisi303 Inserto: carburo di tungsteno













